Structural Features
Planetary reducer is applicable to tracked and wheeled drive vehicles and all kinds of self-propelled machinery, and winch or drum machine and other lifting machinery. Because of the use of special orbit hydraulic motor and compact structure design, the motor may be housed in in the wide groove of the track and wheel, or inside the drum of the winch and drum machine.
Design brief, save space, the whole installation is simple, the motor is applicable to open and closed hydraulic circuit system.
Planetary reducers are widely used in self-propelled equipment, such as construction machinery, lifting machinery, road machinery vehicles, handling machinery, agricultural machinery, mining machinery, sanitation machinery, woodworking machinery and so on. It is also used in the hydrostatic drive system of winch and automatic engine.
Characteristics:
A special sealing system. Unique combination seal design for radial and axial seal between rotating body and fixed part
Built-in multi-disc brake. Spring-loaded brake, hydraulic release braking force, can safely stop the movement when the working pressure of the hydraulic system is reduced to the required pressure
Simple structure, easy to install
Operating Guide
In order for the hydraulic system to work in the best working condition, the general requirements are:
- Hydraulic oil type: HM mineral oil (ISO 6743/4) (GB/T 763.2-87) or HLP mineral oil (DIN 1524)
- The oil temperature: -20°C to 90°C, Recommended range: 20°C to 60°C
- The oil viscosity: 20-75 mm²/s. Kinematic viscosity 42-47 mm²/s at oil temperature 40°C
- Oil cleanliness:The oil filtration accuracy is 25 microns, and the solid pollution level is no higher than 26/16
In order for the reducer to work in the best working condition, the general requirements are:
Type of lubricating oil: CK220 mineral gear oil (ISO 12925-1) (GB/T 5903-87)
The oil viscosity: Kinematic viscosity 220 mm²/s at oil temperature 40°C
Maintenance cycle: After the first use of 50-100 hours for maintenance, after each work 500-1000 hours for maintenance
Recommended: MOBILE GEAR630, ESSO SPARTAN EP220, SHELL OMALA EP220
Fill up/change the oil
The reducer is not filled with lubricating oil. The filling method is as follows,
As shown in the picture, remove the two oil port bolts and discharge the oil in the reducer. Clean the gear cavity with the detergent provided by the lubricant supplier.
As shown in the picture, Oil the top hole until the oil comes out of the overflow hole. Seal the two bolts tightly.


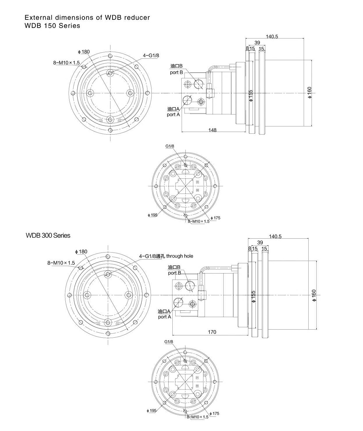
WDB150 series planetary reducer The standard configuration is the BM10-125 orbit hydraulic motor, non-standard orbit motors can also be used. The main technical parameters need to be calculated according to the ratio of reducer and the performance parameters of the hydraulic motor. The equipment used shall not exceed the maximum output torque of the WDB150 planetary reducer of 1500Nm and the maximum output power of 14KW.
The input rotation direction of the reducer is inversely related to the output rotation direction.
WDB300 series planetary reducer The standard configuration is the BM10-250 orbit hydraulic motor, non-standard orbit motors can also be used. The main technical parameters need to be calculated according to the ratio of reducer and the performance parameters of the hydraulic motor. The equipment used shall not exceed the maximum output torque of the WDB300 planetary reducer of 2300Nm and the maximum output power of 18KW.
The input rotation direction of the reducer is inversely related to the output rotation direction.